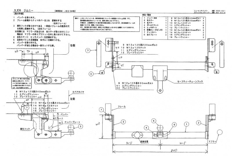
商品の詳細
ジムニー
【適合型式】JB23W
ロストワックス(精密鋳造)製法による楕円型スタイリッシュなスチール製ヒッチメンバーです。
メンバー部・取付ステー等は焼付塗装で、ヒッチボールにはクロームメッキ処理、脱着ピンにはユニクロメッキ処理を施しております。
またボールマウントはガタつき音を低減するOリング付でステンレス製(艶消し)です。
******************************
【牽引力】B
【ボールマウント】B-6
【取付難易度】☆
******************************
【スチール/ニューヒッチ(NHC)】
※メインバー(オーバル型)・付属品(ボールマウント除く)ともにスチールのタイプ※
【セット内容】
ステンレス製(艶消)ボールマウント/スチールヒッチボール/スチール脱着ピン/スチール取付ステー・ボルト/配線ソケット取付ステー/配線キット
●ヒッチメンバーは、予定納期は約2~3週間。
●一部の車種については適合確認のため車検証のFAXをお願いする場合がございます。
【おことわり】
・適合確認等は、必ずご注文前にお願いします。
・写真は例で車種により取付方法及び形状が異なります。
・牽引車側に加工等必要な場合がありますので、詳しくはお問い合せください。
・受注生産品に付き、返品交換不可。
【配送に関するご案内】
・商品の形状の都合上、他商品との同梱不可。
・メーカー直送品のため代引支払い不可。
・沖縄への配送は、船便のため発送後7-10日のお届けとなります。